Shop by Store
Saved Lists
Catalogs
Order History & Status
Invoices
Customer Portal
Register OR Sign in
Welcome to the Customer Portal
Something went wrong, please try again or contact us at sales@chaparralmaterials.com
Username
Password
Remember Me
Sign in
Register for an Account
Forgot password?
0
My Cart
$-.--
Shop by Category
Access Doors
Acoustical
All Acoustical
Acoustical Accessories
Acoustical Other
Architectural Specialty (call to place order)
Armstrong Grid
All Armstrong Grid
360 Painted
Aluminum
Axiom
Capz
Clean Room
Drywall
Environmental
FrameAll
Interlude
Interlude XL
MetalWorks
Prelude
Prelude ML
Prelude Plus XL
Prelude XL
Quikstix
Serpentina
Silhouette XL
SimpleSoffit
Sonata
Suprafine
Suprafine ML
Suprafine XL
Suprafine XM
Techzone
WoodWorks
Armstrong Tile
All Armstrong Tile
Armatuff
BioAcoustic
Blades
Calla
Canyon
Cermaguard
Cirrus
Clean Room
Contractor Series
Cortega
Crossgate
Designer
Dune
Endura
Excelon
FeltWorks
Fine Fissured
Fissured
Formations
Georgian
Graphis
Infusions
Invisacoustics
Kitchen Zone
Ledges
Lyra
Mesa
MetalWorks
Metaphors
Optima
Painted Nubby
Pebble
Random Fissured
Sanserra
Shasta
Smooth Look
Soundscapes
Soundsoak
Stones
Stratus
Tectum
Tincraft
Tundra
Ultima
Vinyl Clad
WoodWorks
Yukon
USG Acoustical
USG Grid
All USG Grid
AX
Centricitee
Compasso
Drywall
DX
DX/DXL
DXFF
DXI
DXLA
DXT
DXT/DXLT
Fineline
Identitee
M7
M9
Mars
Radar
ZXLA
USG Tile
All USG Tile
Aspen
Astro
Clean Room
Eclipse
Fissured
Frost
Glacier
Halcyon
Kitchen
Mars
Millenia
Nubby
Olympia
Orion
Pebbled
Premier
Radar
Rock Face
Sandrift
Touchstone
Air Moisture Protection
Caulking & Adhesives
Drywall
All Drywall
Fire Rated
Mold Resistant
Regular
Shaft Wall
Sheathing
Specialty
Tile Backer
EIFS & Stucco
All EIFS & Stucco
EIFS Base Coat & Adhesives
EIFS Mesh
EPS Foam
Metal Lath
Sto Coatings
Sto Finishes
Trims & Accessories
Fasteners
All Fasteners
Anchors
Clips
Nails
Nuts & Bolts
Screws
Shots & Pins
Staples
Firestop
FRP
All FRP
Trims & Adhesives
Wall & Ceiling Panels
Hardware
Insulation
All Insulation
Foil/FSK
Kraft Faced
Mineral Wool
Other
Rigid
Unfaced
Joint Treatment
All Joint Treatment
All Purpose
Beads & Trim
All Beads & Trim
Fry Reglet
Metal
Paper Faced
Plastic
Light Weight
Other
Setting Compound
Tape
Texture
Lumber
All Lumber
Dimensional
Plywood
Manufactured Stone
Safety
All Safety
Fall Protection
Gloves
Hard Hats
Safety Apparel
Safety Glasses
Safety Supplies
Vests & Jackets
Siding
All Siding
Trims & Accessories
Steel
All Steel
Heavy Gauge Steel
All Heavy Gauge Steel
Stud
Track
Light Gauge Steel
All Light Gauge Steel
Stud
Track
Shaft Wall/Separation
All Shaft Wall/Separation
Stud
Track
Steel Accessories
All Steel Accessories
Angles
Channels
Clips
Fire Trak
Flat Straps
Flex Track
Furring
Other
RC Channels
Security Mesh
Slotted Track
Strut
All Strut
Strut & Accessories
Surface Protection
Tools
All Tools
Automatic Taping Tools
Blades & Bits
Cleaning & Surface Protection
Drywall & Finishing
Electrical & Lighting
Hand Tools
Lasers & Leveling
Measuring & Marking
Organizing & Storage
Paint & Caulking
Powder Actuated Tools
Power Tools
Sanding
Stilts, Ladders, Scaffolding
Tool Accessories
Tool Parts & Repair Kits
PRO2GO™
Articles
Services
About Us
Locations
Quick Order
PART #
QUANTITY
0
Shop by Store
Sign In
Register for an Account
Shop by Category
Access Doors
Acoustical
Air Moisture Protection
Caulking & Adhesives
Drywall
EIFS & Stucco
Fasteners
Firestop
FRP
Hardware
Insulation
Joint Treatment
Lumber
Manufactured Stone
Safety
Siding
Steel
Strut
Surface Protection
Tools
PRO2GO™
Articles
Services
About Us
Locations
Quick Order
Home
Joint Treatment
Beads & Trim
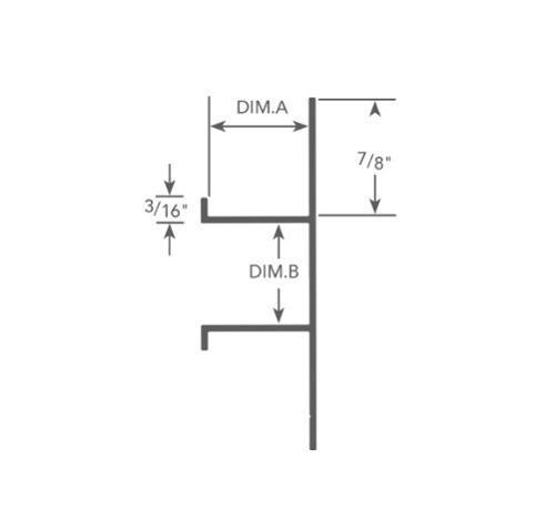
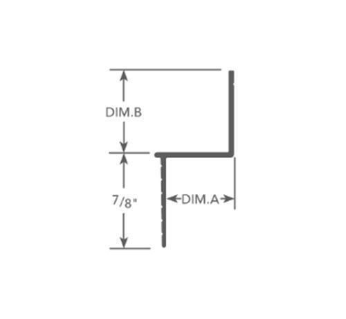
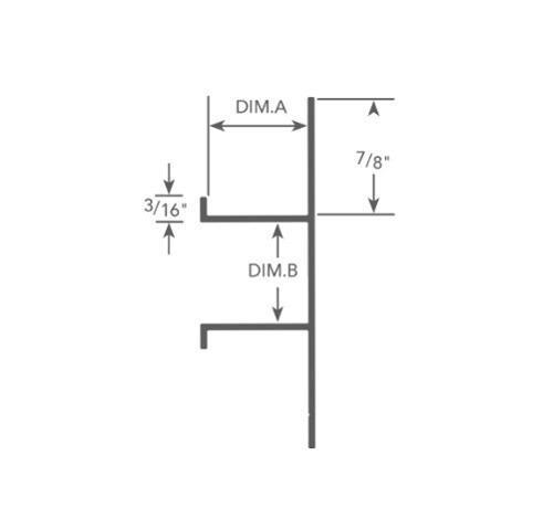
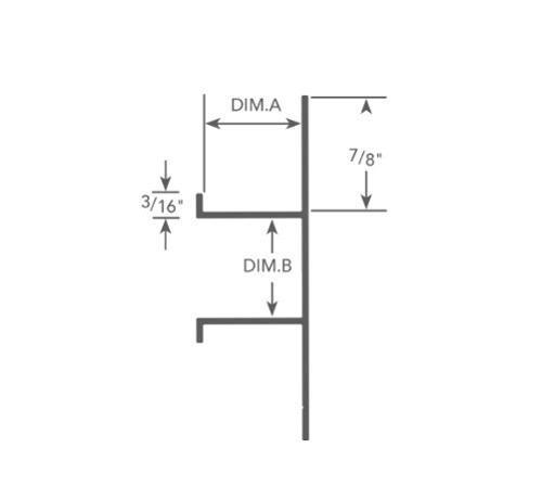
Fry Reglet
Fry Reglet
We're sorry, we couldn't find any results.
Recently Viewed Products